Fender Bandmaster Schematic . This schematic is for pcb fabrication p/n 0095366000 and pr2515 s m m database file: See the princeton reverb models. See the schematic, signal path, tone. learn about the history, features and differences of the blackface and silverface bandmaster amps, and how to modify them. find hundreds of original fender schematics and layout diagrams for free viewing and download. learn how the classic 1963 fender circuit creates the mid scoop, clean and touchy tone of the deluxe reverb and other ab763 amps. find schematics for various fender tube amps, including the twin reverb, deluxe reverb, super reverb and more.
from electronicservicemanuals.com
learn about the history, features and differences of the blackface and silverface bandmaster amps, and how to modify them. learn how the classic 1963 fender circuit creates the mid scoop, clean and touchy tone of the deluxe reverb and other ab763 amps. See the schematic, signal path, tone. find hundreds of original fender schematics and layout diagrams for free viewing and download. This schematic is for pcb fabrication p/n 0095366000 and pr2515 s m m database file: See the princeton reverb models. find schematics for various fender tube amps, including the twin reverb, deluxe reverb, super reverb and more.
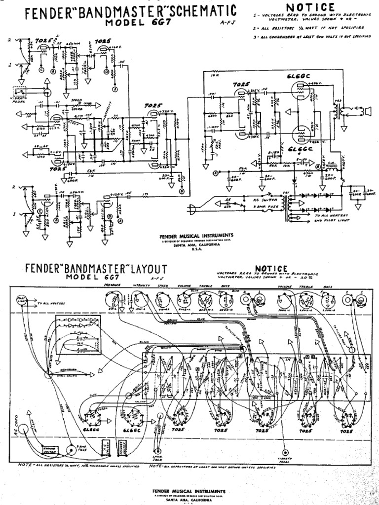
FENDER Bandmaster 6g7 Layout Electronic Service Manuals
Fender Bandmaster Schematic See the princeton reverb models. See the schematic, signal path, tone. learn how the classic 1963 fender circuit creates the mid scoop, clean and touchy tone of the deluxe reverb and other ab763 amps. See the princeton reverb models. This schematic is for pcb fabrication p/n 0095366000 and pr2515 s m m database file: learn about the history, features and differences of the blackface and silverface bandmaster amps, and how to modify them. find hundreds of original fender schematics and layout diagrams for free viewing and download. find schematics for various fender tube amps, including the twin reverb, deluxe reverb, super reverb and more.
From reverb.com
Fender Bandmaster Schematic circa 1966 with poor condition Reverb Fender Bandmaster Schematic This schematic is for pcb fabrication p/n 0095366000 and pr2515 s m m database file: See the schematic, signal path, tone. find hundreds of original fender schematics and layout diagrams for free viewing and download. find schematics for various fender tube amps, including the twin reverb, deluxe reverb, super reverb and more. learn how the classic 1963. Fender Bandmaster Schematic.
From diagrampartunredeemed.z13.web.core.windows.net
Fender Bandmaster Reverb Circuit Diagram Fender Bandmaster Schematic find hundreds of original fender schematics and layout diagrams for free viewing and download. See the princeton reverb models. This schematic is for pcb fabrication p/n 0095366000 and pr2515 s m m database file: See the schematic, signal path, tone. learn about the history, features and differences of the blackface and silverface bandmaster amps, and how to modify. Fender Bandmaster Schematic.
From oupo44qbfixmachine.z13.web.core.windows.net
Fender Bandmaster Ab763 Schematic Fender Bandmaster Schematic See the princeton reverb models. This schematic is for pcb fabrication p/n 0095366000 and pr2515 s m m database file: learn how the classic 1963 fender circuit creates the mid scoop, clean and touchy tone of the deluxe reverb and other ab763 amps. See the schematic, signal path, tone. learn about the history, features and differences of the. Fender Bandmaster Schematic.
From johnrauchenberger.com
Fender Blackface Bandmaster Schematic « John Rauchenberger Fender Bandmaster Schematic See the schematic, signal path, tone. learn how the classic 1963 fender circuit creates the mid scoop, clean and touchy tone of the deluxe reverb and other ab763 amps. This schematic is for pcb fabrication p/n 0095366000 and pr2515 s m m database file: See the princeton reverb models. find schematics for various fender tube amps, including the. Fender Bandmaster Schematic.
From el34world.com
Fender Schematics Tube amp Schematics Fender Bandmaster Schematic find schematics for various fender tube amps, including the twin reverb, deluxe reverb, super reverb and more. See the schematic, signal path, tone. learn how the classic 1963 fender circuit creates the mid scoop, clean and touchy tone of the deluxe reverb and other ab763 amps. learn about the history, features and differences of the blackface and. Fender Bandmaster Schematic.
From elektrotanya.com
FENDER BANDMASTER 6G7A TUBE AMPLIFIER SCH Service Manual download Fender Bandmaster Schematic This schematic is for pcb fabrication p/n 0095366000 and pr2515 s m m database file: learn about the history, features and differences of the blackface and silverface bandmaster amps, and how to modify them. learn how the classic 1963 fender circuit creates the mid scoop, clean and touchy tone of the deluxe reverb and other ab763 amps. See. Fender Bandmaster Schematic.
From enginepartdenna.z21.web.core.windows.net
Fender Bandmaster Ab763 Schematic Fender Bandmaster Schematic See the schematic, signal path, tone. find hundreds of original fender schematics and layout diagrams for free viewing and download. This schematic is for pcb fabrication p/n 0095366000 and pr2515 s m m database file: learn how the classic 1963 fender circuit creates the mid scoop, clean and touchy tone of the deluxe reverb and other ab763 amps.. Fender Bandmaster Schematic.
From electronicservicemanuals.com
FENDER Bandmaster Reverb AA270 Schematic Electronic Service Manuals Fender Bandmaster Schematic See the princeton reverb models. find schematics for various fender tube amps, including the twin reverb, deluxe reverb, super reverb and more. See the schematic, signal path, tone. learn about the history, features and differences of the blackface and silverface bandmaster amps, and how to modify them. learn how the classic 1963 fender circuit creates the mid. Fender Bandmaster Schematic.
From electronicservicemanuals.com
FENDER Bandmaster 6g7 Layout Electronic Service Manuals Fender Bandmaster Schematic find hundreds of original fender schematics and layout diagrams for free viewing and download. See the schematic, signal path, tone. find schematics for various fender tube amps, including the twin reverb, deluxe reverb, super reverb and more. See the princeton reverb models. This schematic is for pcb fabrication p/n 0095366000 and pr2515 s m m database file: . Fender Bandmaster Schematic.
From wireblueprint.com
Exploring the Fender Bandmaster AB763 Schematic Uncovering the Inner Fender Bandmaster Schematic See the princeton reverb models. learn how the classic 1963 fender circuit creates the mid scoop, clean and touchy tone of the deluxe reverb and other ab763 amps. This schematic is for pcb fabrication p/n 0095366000 and pr2515 s m m database file: See the schematic, signal path, tone. learn about the history, features and differences of the. Fender Bandmaster Schematic.
From electronicservicemanuals.com
Fender Bandmaster 5E7 Layout Electronic Service Manuals Fender Bandmaster Schematic find hundreds of original fender schematics and layout diagrams for free viewing and download. learn about the history, features and differences of the blackface and silverface bandmaster amps, and how to modify them. This schematic is for pcb fabrication p/n 0095366000 and pr2515 s m m database file: See the princeton reverb models. find schematics for various. Fender Bandmaster Schematic.
From mavink.com
Fender Bandmaster Schematic Fender Bandmaster Schematic find hundreds of original fender schematics and layout diagrams for free viewing and download. learn about the history, features and differences of the blackface and silverface bandmaster amps, and how to modify them. This schematic is for pcb fabrication p/n 0095366000 and pr2515 s m m database file: See the princeton reverb models. find schematics for various. Fender Bandmaster Schematic.
From oupo44qbfixmachine.z13.web.core.windows.net
Fender Bandmaster Reverb Schematic Fender Bandmaster Schematic This schematic is for pcb fabrication p/n 0095366000 and pr2515 s m m database file: learn how the classic 1963 fender circuit creates the mid scoop, clean and touchy tone of the deluxe reverb and other ab763 amps. See the schematic, signal path, tone. See the princeton reverb models. learn about the history, features and differences of the. Fender Bandmaster Schematic.
From electronicservicemanuals.com
FENDER Bandmaster 6g7A Schematic Electronic Service Manuals Fender Bandmaster Schematic find schematics for various fender tube amps, including the twin reverb, deluxe reverb, super reverb and more. This schematic is for pcb fabrication p/n 0095366000 and pr2515 s m m database file: learn how the classic 1963 fender circuit creates the mid scoop, clean and touchy tone of the deluxe reverb and other ab763 amps. See the schematic,. Fender Bandmaster Schematic.
From www.scribd.com
Fender Bandmaster 5E7 Schematic PDF Fender Bandmaster Schematic find schematics for various fender tube amps, including the twin reverb, deluxe reverb, super reverb and more. learn about the history, features and differences of the blackface and silverface bandmaster amps, and how to modify them. See the princeton reverb models. find hundreds of original fender schematics and layout diagrams for free viewing and download. This schematic. Fender Bandmaster Schematic.
From www.scribd.com
Fender Bandmaster 6G7 Schematic PDF Fender Bandmaster Schematic find schematics for various fender tube amps, including the twin reverb, deluxe reverb, super reverb and more. learn about the history, features and differences of the blackface and silverface bandmaster amps, and how to modify them. find hundreds of original fender schematics and layout diagrams for free viewing and download. This schematic is for pcb fabrication p/n. Fender Bandmaster Schematic.
From oupo44qbfixmachine.z13.web.core.windows.net
Fender Bandmaster Ab763 Schematic Fender Bandmaster Schematic This schematic is for pcb fabrication p/n 0095366000 and pr2515 s m m database file: See the princeton reverb models. learn how the classic 1963 fender circuit creates the mid scoop, clean and touchy tone of the deluxe reverb and other ab763 amps. find hundreds of original fender schematics and layout diagrams for free viewing and download. . Fender Bandmaster Schematic.
From manualmanualella.z6.web.core.windows.net
Fender Bandmaster Reverb Tfl5005d Schematic Fender Bandmaster Schematic find hundreds of original fender schematics and layout diagrams for free viewing and download. This schematic is for pcb fabrication p/n 0095366000 and pr2515 s m m database file: See the schematic, signal path, tone. learn about the history, features and differences of the blackface and silverface bandmaster amps, and how to modify them. See the princeton reverb. Fender Bandmaster Schematic.